库底卸料器
KX型库底卸料器是用于两个或两个以上的库底卸料口,将物料从库中均匀、连续输送到某一特定位置的设备。库底卸料器结构紧凑,工艺布置合理,选用后可以减少其它设备的装置,节约能源,节省投资。

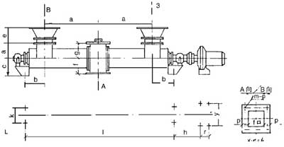
| 代号 规格 | a | b | c | d | e | f | g | l | A向 B向 | K | |||
| f | p | x.n=h | m-Φ | ||||||||||
| KX200 | 1500、2000、2500 | 300 | 250 | 250 | 340 | 240 | 220 | 2a+2b | 400 /490 | 50/50 | 115×4=460 135×4=540 | 14×Φ12 /16×Φ14 | 250 |
| KX290 | 1500、2000、2500、3000 | 350 | 280 | 280 | 400 | 250 | 220 | 400 /480 | 115×4=460 135×4=540 | 14×Φ12 /16×Φ14 | 300 | ||
| KX350 | 1500、2000、2500、3000 | 400 | 355 | 355 | 420 | 320 | 300 | 500 /580 | 112×5=560 128×5=640 | 20×Φ12 /20×Φ14 | 320 | ||
| KX475 | 2000、2500、3000、3500 | 450 | 400 | 400 | 450 | 350 | 320 | 600 /680 | 132×5=660 122×6=732 | 20×Φ12 /24×Φ14 | 400 | ||
| 规格型号 | KX200 | KX290 | KX350 | KX350 | |||||||||||||
| 下料点间距 mm | 2 × 1500 | 2 × 2000 | 2 × 2500 | 2 × 1500 | 2 ×2000 | 2 ×2500 | 2 ×3000 | 2 ×1500 | 2 ×2000 | 2 ×2500 | 2 ×3000 | 2 ×1500 | 2×2000 | 2 ×2500 | 2 ×3000 | ||
| 非驱调动速装型置 | 输送量 T/h | 12 | 36 | 64 | 160 | ||||||||||||
| 型号 | XWD4 – 5 - 35 | XWD4 – 5 - 35 | XWD 5.5 – 5 - 35 | XWD5.5 – 5 - 35 | XWD7.5 – 7 - 35 | XWD11 – 8 - 35 | XWD 15 – 9 - 35 | ||||||||||
| 功率 kw | 4 | 4 | 5.5 | 5.5 | 7.5 | 11 | 15 | ||||||||||
| 转速 r.p.m | 40 | ||||||||||||||||
| h | 500 | 555 | 555 | 570 | 510 | 590 | 630 | ||||||||||
| r | 150 | 150 | 150 | 150 | 320 | 380 | 480 | ||||||||||
| j | 370 | 370 | 370 | 370 | 420 | 480 | 560 | ||||||||||
| 调速型驱动装置 | 输送量 T/h | 8~20 | 18~55 | 32~95 | 80~225 | ||||||||||||
| 型号 | XWD – 5 – YCTL 180 - 4A | XWD22 – 17 - 5.5 | XWD – 6 - 17 – YCTL 200 - 4B | XWD – 6 – 17 - 7.5 | XWD – 9 – 17 – YCTL 225 - 4B | XWD – 10 -17 – YCTL 250 - 4A | |||||||||||
| 功率 kw | 4 | 5.5 | 7.5 | 7.5 | 11 | 15 | 18.5 | ||||||||||
| 转速 r.p.m | 7-70 | ||||||||||||||||
| h | 500 | 522 | 470 | 518 | 520 | 625 | 670 | ||||||||||
| r | 150 | 220 | 220 | 200 | 380 | 480 | 500 | ||||||||||
| j | 370 | 290 | 290 | 340 | 480 | 560 | 630 | ||||||||||
| 阀门调节 | Ⅰ | 手动调节 | |||||||||||||||
| Ⅱ | 联轴链调节 | ||||||||||||||||
上一页:
下一页:

